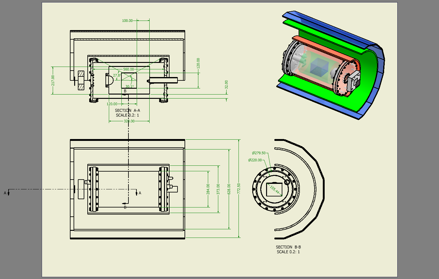
TPC CAD models

 

Home | Documents | Literature | Subsystems | Analysis

 

Inventor model

The zip file has to be unzipped. Then e.g. MuCap6/MuCap_PRL.iam can be processed by Inventor 11.

Selected drawings

Inventor model drawings

 

 

IDW drawings